

特点:
1. 加速更快,惯量更小,3倍过载;
2. 力矩系数更大,电流更小,驱动器保压时间更长;
3. 齿槽转矩更小,电机平稳性更好,电机噪音更低;
4. 控制精度更高,响应频带更高,控制精度更好。
1.产品规格
|
型号 |
额定电流 |
额定扭矩 |
额定转速 |
|
N4G9X-140G28/17XNGY |
9 |
28 |
1700 |
|
N4G11X-140G36/17XNGY |
11 |
36 |
1700 |
|
N4G15X-140G47/17XNGY |
15 |
47 |
1700 |
|
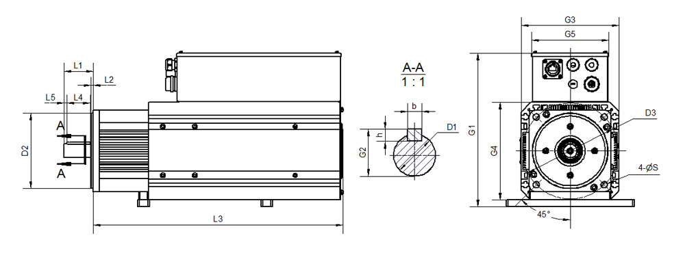
公差尺寸 |
一体机类型 |
D1(mm) |
D2(mm) |
b(mm) |
|
140 |
+0.015 +0.002 |
+0.014 -0.011 |
0 -0.036 |
|
一体机型号 |
D1 |
L1 |
b |
h |
D2 |
L2 |
D3 |
S |
L3 |
G1 |
G2 |
G3 |
G4 |
G5 |
G6 |
L4 |
L5 |
L6 |
L7 |
M |
T |
|
N4G9X-140G28/17XNGY |
Φ24 |
50 |
8 |
7 |
Φ130 |
3.5 |
Φ165 |
Φ11 |
429.8 |
264 |
27 |
168 |
168 |
133 |
190 |
40 |
5 |
88 |
212 |
M5 |
Φ11 |
|
N4G11X-140G36/17XNGY |
469.8 |
262 |
|||||||||||||||||||
|
N4G15X-140G47/17XNGY |
524.8 |
312 |