


亿万28网页在线玩-亿万28入口网页版-万28官网下载最新版-亿万e网址pg-亿万28网页版网址-亿万28赏金女王-亿万28pg电子变桨电机特点:
1.配套性广。效率高、体积小、重量轻、响应特性好、噪声小,可配套1.5MW~6MW级风机的变桨电机;
2.稳定性好。批量产品逐批次进行振动冲击环境耐受性测试,确保工艺的稳定性;
3.防腐性高。防腐等级高标准设计,适应海上风电变桨要求;
4.适应性强。优化轴承设计,适合轮毂旋转、振动冲击、高低温的环境应用要求;
5.兼容性好。兼容后备电源供电条件设计,确保后备电源供电时能达到足够的扭矩和精度;
6.可靠性高。每年3700万次长期阶跃冲击寿命试验,军品级的可靠性设计和质量管理,产品寿命设计大于20年。
本系列接受订制开发项目。
1.命名规则

2.产品参数
|
项目 |
单位 |
技术要求 |
|||
|
电机型号 |
-
|
230-4F56/10-205A20 |
230-4F80/15-290A20 |
230-4F100/15-360A20 |
230-4F120/15-400B20 |
|
230-4F56/10-205A30 |
230-4F80/15-290A30 |
230-4F100/15-360A30 |
230-4F120/15-400B30 |
||
|
额定功率 |
Kw |
11.7/11.9 |
12.6 |
15.7 |
18.8 |
|
额定扭矩 |
N.m |
56/65 |
≥80 |
100 |
120 |
|
最高转速 |
rpm |
2800 |
2800 |
2600 |
2800 |
|
峰值扭矩 |
N.m |
290 |
290 |
360 |
400 |
|
额定电流 |
A |
27/32 |
39 |
46 |
54 |
|
定子电阻 |
Ω |
0.1344 |
0.106 |
0.09 |
0.1 |
|
转动惯量 |
Kg*cm2 |
228 |
270 |
312 |
450 |
|
防护等级 |
-
|
IP65 |
IP65 |
IP65 |
IP65 |
|
冷却方式 |
-
|
自然冷却 |
自然冷却 |
自然冷却 |
自然冷却 |
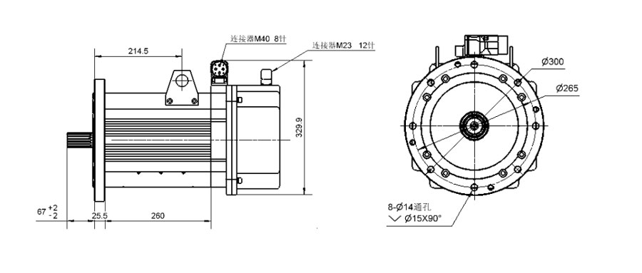
1. 230-4F56/10-205A20;230-4F56/10-205A30电机:
2. 230-4F80/15-290A20;230-4F80/15-290A30电机:
3. 230-4F100/15-360A20;230-4F100/15-360A30电机:
